Clad Products
Hot Induction bends
Steel Pipe Flange
Download
>
Welding Neck Flange
Socket welded Flange
Threaded Flange
Plate Flange
Orifice Flange
Blind Flange
Long Welding Neck Flange
Pressure Piping Unit
Anti-corrosion
Insulating fittings
Pipe Fittings
Robot
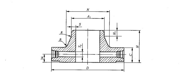
Orifice Flange
Orifice Flange
Standard: HG/T20592~20635-2009、ASME B16.36 etc.Material: Stainless steel, alloy steel ,carbon steel ,duplex steel - super duplex steel, nickel base alloy etc.
Nominal Pressure: PN10-PN160
Product Specification: DN25-DN600 (1”-24”)
Details
Flange we produced based on forging blank and manufactured by machining process. Our products are widely used in oil and gas industry, water supply project, chemical industry and other industries.

